SR2P4A24
產品特點:1、用于安全輸出觸點的擴展;2、可檢測輸入觸點的短路故障;3、具有自我監控的冗余電路;4、LED指示工作及故障狀態;5、雙通道操作;6、35mmDIN導軌安裝。技術參數:供電電源24VDC電壓容差85-110%功耗3W切換容量符合(EN60947-5-1)AC-15,5A/250V;DC-13,6A/24V輸出觸點4N/O觸點熔絲保護4AT/6AF自動復位...
產品特點:
1、用于安全輸出觸點的擴展;
2、可檢測輸入觸點的短路故障;
3、具有自我監控的冗余電路;
4、LED指示工作及故障狀態;
5、雙通道操作;
6、35mm DIN導軌安裝。
技術參數:
?
|
供電電源 |
24VDC |
|
電壓容差 |
85-110% |
|
功耗 |
3W |
|
切換容量符合(EN60947-5-1) |
AC-15,5A/250V;DC-13,6A/24V |
|
輸出觸點 |
4N/O |
|
觸點熔絲保護 |
4A T/6A F |
|
自動復位時間 |
35ms |
|
手動復位時間 |
30ms |
|
工作溫度 |
-10~+55℃ |
|
儲存溫度 |
-40~+85℃ |
|
震動要求 |
EN60068-2-6 |
|
外殼保護 |
IP50 |
|
最大導線截面尺寸 |
0.2-2.5mm2 |
|
尺寸 |
96*22.5*116mm |
|
重量 |
330g |
?
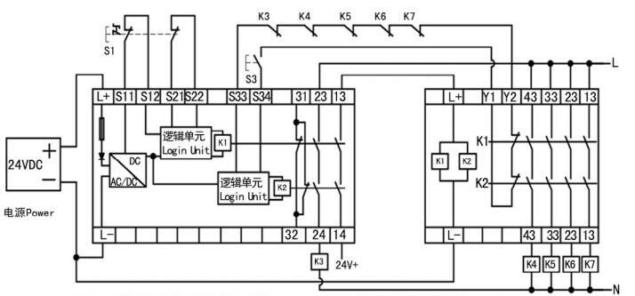
接線圖:
