特點:
◆ 規格型號齊全,安裝方便,接線簡單;
◆ 完善的自檢功能;
◆ 抗電磁、光干擾能力強;
◆ 抗振性強,防水、防塵性能優越;
◆ LED指示工作和故障狀態;
◆ 光同步技術,接線簡單,節省安裝時間。
參數:
| 保護長度 | 0~8000mm |
| 保護高度 | 光軸間距×(光束數-1)? |
| 光軸間距 | 10mm, 20mm, 40mm,80mm |
| 檢測精度 | 19mm, 29mm, 49mm,89mm |
| 工作電源 | DC24V |
| 工作電流 | <200mA |
| 負載電流 | <200mA |
| 響應時間 | <20ms(80束光束內) |
| 診斷覆蓋率 | >99% |
| 平均危險失效間隔時間 | 120a |
| 安全等級 | PL c (EN ISO 13849) |
| 防護等級 | IP65 |
| 工作溫度 | –10°C ~ +55°C |
| 環境濕度 | 20°C, RH ≤85% |
| 抗光干擾 | 10000Lux (入射角≥5°) |
| 抗振動 | 頻率:10~55Hz, 振幅:0.35mm |
| 抗沖擊 | 10g, 16ms, X,Y,Z軸,每軸1000次 |
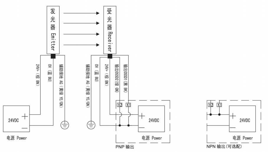
接線圖:

外形尺寸及選型表:

H: 保護高度;?H1: 最上一束光到端蓋的距離 : 16.5mm( 間距 10mm), 26.5mm( 間距 20mm), 46.5mm( 間距 40mm);
L: 傳感器高度?
| 光軸間距10mm | 光軸間距20mm | 光軸間距40mm | |||||||||
| MCⅠ1610 | 16 | 150 | 188 | 規格 | 光束 | H | L | 規格 | 光束 | H | L |
| MCⅠ2010 | 20 | 190 | 228 | MCⅠ 0820 | 8 | 140 | 188 | MCⅠ 0440 | 4 | 120 | 188 |
| MCⅠ2410 | 24 | 230 | 268 | MCⅠ 1220 | 12 | 220 | 268 | MCⅠ 0640 | 6 | 200 | 268 |
| MCⅠ2810 | 28 | 270 | 308 | MCⅠ 1620 | 16 | 300 | 348 | MCⅠ 0840 | 8 | 280 | 348 |
| MCⅠ3210 | 32 | 310 | 348 | MCⅠ 2020 | 20 | 380 | 428 | MCⅠ 1040 | 10 | 360 | 428 |
| MCⅠ3610 | 36 | 350 | 388 | MCⅠ 2420 | 24 | 460 | 508 | MCⅠ 1240 | 12 | 440 | 508 |
| MCⅠ4010 | 40 | 390 | 428 | MCⅠ 2820 | 28 | 540 | 588 | MCⅠ 1440 | 14 | 520 | 588 |
| MCⅠ4410 | 44 | 430 | 468 | MCⅠ 3220 | 32 | 620 | 668 | MCⅠ 1640 | 16 | 600 | 668 |
| MCⅠ4810 | 48 | 470 | 508 | MCⅠ 3620 | 36 | 700 | 748 | MCⅠ 1840 | 18 | 680 | 748 |
| MCⅠ5210 | 52 | 510 | 548 | MCⅠ 4020 | 40 | 780 | 828 | MCⅠ 2040 | 20 | 760 | 828 |
| MCⅠ5610 | 56 | 550 | 588 | MCⅠ 4420 | 44 | 860 | 908 | MCⅠ 2240 | 22 | 840 | 908 |
| MCⅠ6010 | 60 | 590 | 628 | MCⅠ 4820 | 48 | 940 | 988 | MCⅠ 2440 | 24 | 920 | 988 |
| MCⅠ6410 | 64 | 630 | 668 | MCⅠ 5220 | 52 | 1020 | 1068 | MCⅠ 2640 | 26 | 1000 | 1068 |
| MCⅠ6810 | 68 | 670 | 708 | MCⅠ 5620 | 56 | 1100 | 1148 | MCⅠ 2840 | 28 | 1080 | 1148 |
| MCⅠ7210 | 72 | 710 | 748 | MCⅠ 6020 | 60 | 1180 | 1228 | MCⅠ 3040 | 30 | 1160 | 1228 |
| MCⅠ7610 | 76 | 750 | 788 | MCⅠ 6420 | 64 | 1260 | 1308 | MCⅠ 3240 | 32 | 1240 | 1308 |
| MCⅠ8010 | 80 | 790 | 828 | MCⅠ 6820 | 68 | 1340 | 1388 | MCⅠ 3440 | 34 | 1320 | 1388 |
| MCⅠ8410 | 84 | 830 | 868 | MCⅠ 7220 | 72 | 1420 | 1468 | MCⅠ 3640 | 36 | 1400 | 1468 |
| MCⅠ8810 | 88 | 870 | 908 | MCⅠ 7620 | 76 | 1500 | 1548 | MCⅠ 3840 | 38 | 1480 | 1548 |
| MCⅠ9210 | 92 | 910 | 948 | MCⅠ 8020 | 80 | 1580 | 1628 | MCⅠ 4040 | 40 | 1560 | 1628 |
| MCⅠ9610 | 96 | 950 | 988 | MCⅠ 8420 | 84 | 1660 | 1708 | MCⅠ 4240 | 42 | 1640 | 1708 |
| MCⅠ10010 | 100 | 990 | 1028 | MCⅠ 8820 | 88 | 1740 | 1788 | MCⅠ 4440 | 44 | 1720 | 1788 |
| MCⅠ10410 | 104 | 1030 | 1068 | MCⅠ 9220 | 92 | 1820 | 1868 | MCⅠ 4640 | 46 | 1800 | 1868 |
| MCⅠ10810 | 108 | 1070 | 1108 | MCⅠ 9620 | 96 | 1900 | 1948 | MCⅠ 4840 | 48 | 1880 | 1948 |
| MCⅠ11210 | 112 | 1110 | 1148 | ? | ? | ? | ? | 光軸間距80mm | |||
| MCⅠ11610 | 116 | 1150 | 1188 | ? | ? | ? | ? | MCⅠ 0280 | 2 | 80 | 188 |
| MCⅠ12010 | 120 | 1190 | 1228 | ? | ? | ? | ? | MCⅠ 0380 | 3 | 160 | 268 |
| MCⅠ12410 | 124 | 1230 | 1268 | ? | ? | ? | ? | MCⅠ 0480 | 4 | 240 | 348 |
| MCⅠ12810 | 128 | 1270 | 1308 | ? | ? | ? | ? | MCⅠ 0580 | 5 | 320 | 428 |
| MCⅠ13210 | 132 | 1310 | 1348 | ? | ? | ? | ? | MCⅠ 0680 | 6 | 400 | 508 |
| MCⅠ13610 | 136 | 1350 | 1388 | ? | ? | ? | ? | MCⅠ 0780 | 7 | 480 | 588 |
| MCⅠ14010 | 140 | 1390 | 1428 | ? | ? | ? | ? | MCⅠ 0880 | 8 | 560 | 668 |
| MCⅠ14410 | 144 | 1430 | 1468 | ? | ? | ? | ? | MCⅠ 0980 | 9 | 640 | 748 |
| MCⅠ14810 | 148 | 1470 | 1508 | ? | ? | ? | ? | MCⅠ 1080 | 10 | 720 | 828 |
| MCⅠ15210 | 152 | 1510 | 1548 | ? | ? | ? | ? | MCⅠ 1180 | 11 | 800 | 908 |
| MCⅠ15610 | 156 | 1550 | 1588 | ? | ? | ? | ? | MCⅠ 1280 | 12 | 880 | 988 |
| MCⅠ16010 | 160 | 1590 | 1628 | ? | ? | ? | ? | MCⅠ 1380 | 13 | 960 | 1068 |
?