SR4P2A1B22
用于監控急停開關、安全門開關!特點:1、可檢測輸入觸點的短路故障;2、可選擇受控手動復位和自動復位;3、具有自我監控的電路;4、工作狀態實時監測。PLe;安全類別:Cat.4;SIL3主要參數:型號SR4P2A1B22復位模式手動或自動工作電源DC/AC85-264V功耗3W輸出觸點2N/O,1N/C切換容量AC-15,5A/250V;DC-13,6A/24V釋放緩...
用于監控急停開關、安全門開關!
特點:
1、可檢測輸入觸點的短路故障;
2、可選擇受控手動復位和自動復位;
3、具有自我監控的電路;
4、工作狀態實時監測。
PL e;安全類別:Cat.4; SIL 3
主要參數:
| 型號 | SR4P2A1B22 |
| 復位模式 | 手動或自動 |
| 工作電源 | DC/AC85-264V |
| 功耗 | 3W |
| 輸出觸點 | 2N/O,1N/C |
| 切換容量 | AC-15,5A/250V;?DC-13,6A/24V |
| 釋放緩沖時間 | <15ms |
| 診斷覆蓋率 | >99% |
| 平均無危險故障時間 | 60a |
| 平均每小時危險失效率 | 4.7×10-8 |
| 防護等級 | IP50 |
| 工作溫度 | ??-10?~+55℃ |
| 儲存溫度 | ??-40?~+85℃ |
| 導線截面積 | 最大Max.?2.5mm2 |
| 線纜長度 | 最長Max.?100m |
| 尺寸 | 96(L)×22.5(W)×116(H)mm |
| 符合標準 | EN?60947-5-1,?EN?61000-6-2,?EN?61000-6-3,??IEC/EN?60204-1,?EN?ISO?13849-1 |
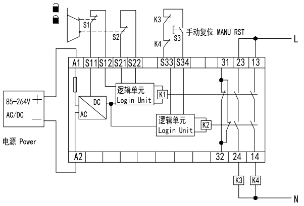
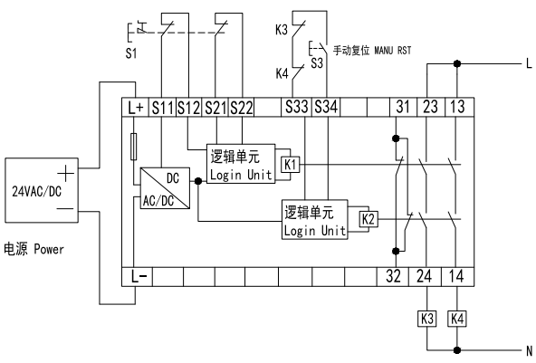
接線圖:
?
安全門:

急停:

?