雙手按鈕安全控制
2023-10-31
參數:
?
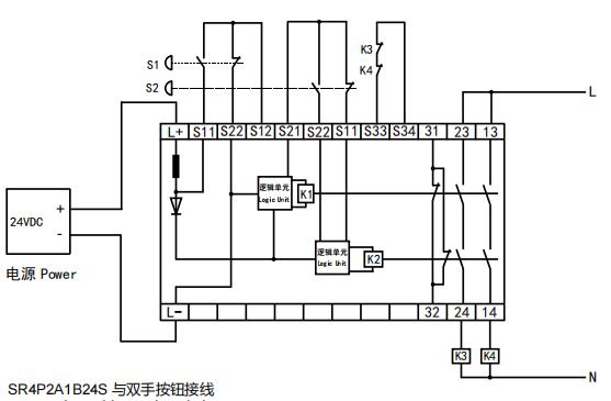
| 型號 | SR4P2A1B24S |
| 復位模式 | 手動或自動 |
| 輸出觸點 | 4N/O |
| 工作電源 | DC24V |
| 功耗 | 3W |
| 平均無危險故障時間 | 398a |
| 平均每小時危險失效率 | 2.0×10-8??? |
| 切換容量 | AC-15,5A/250V; DC-13,6A/24V |
| 釋放緩沖時間 | <15ms |
| 診斷覆蓋率/DC | >99% |
| 防護等級 | IP50 |
| 工作溫度 | ? -10 ~+55℃ |
| 儲存溫度 | ? -40 ~+85℃ |
| 導線截面積 | 最大 2.5mm2 |
| 線纜長度 | 最長100m |
| 尺寸 | 96(L)×22.5(W)×116(H)mm |
| 符合標準 | EN 60947-5-1, EN 61000-6-2, EN 61000-6-3,? IEC/EN 60204-1, EN ISO 13849-1 |
接線:

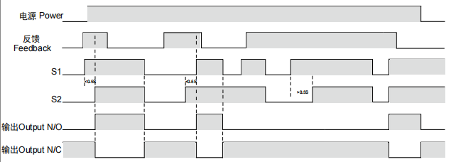
時序圖:
