特點:
◆規格型號齊全,安裝方便,接線簡單;
◆完善的自檢功能;
◆抗電磁、光干擾能力強;
◆抗振性強,防水、防塵性能優越;
◆配控制器提供雙路繼電器信號輸出,可選雙路NPN/PNP信號輸出;
◆LED指示工作及故障狀態;
◆可配置S型外置控制器提供雙面防護;
◆具有安全監控的雙路PNP輸出(NPN輸出可定制) (SNC)。
技術參數:
| 系列 | A系列 | B系列 |
| 保護長度 | 0~3000mm | 0~8000mm |
| 保護高度 | 光軸間距×(光束數-1) | |
| 光軸間距 | 20mm, 40mm, 80mm | |
| 檢測精度 | 30mm, 50mm, 100mm | |
| 工作電源 | DC12V~24V | |
| 工作電流 | <200mA | |
| 負載電流 | <200mA | |
| 響應時間 | <10ms | |
| 診斷覆蓋率 | >99% | |
| 平均無危險故障時間 | 120a | |
| 防護等級 | IP65 | |
| 工作溫度 | –10°C ~ +55°C | |
| 環境濕度 | 20°C, RH ≤ 85% | |
| 抗光干擾 | 10000Lux (入射角≥ 5°) | |
| 抗振動 | 頻率Frequency:10~55Hz, 振幅:0.35mm | |
| 抗沖擊 | 15g, 16ms, X,Y,Z軸,每軸1000次 | |
?
選型表:

| 光軸間距?20mm | 光軸間距40mm | 光軸間距80mm | |||||||
| 光束 | 規格 | H | L | 規格 | H | L | 規格 | H | L |
| 2 | ? | ? | ? | ? | ? | ? | SNA0280 | 80 | 225 |
| 4 | ? | ? | ? | SNA0440 | 120 | 225 | SNA0480 | 240 | 385 |
| 6 | SNA0620 | 100 | 185 | SNA0640 | 200 | 305 | SNA0680 | 400 | 545 |
| 8 | SNA0820 | 140 | 225 | SNA0840 | 280 | 385 | SNA0880 | 560 | 705 |
| 10 | SNA1020 | 180 | 265 | SNA1040 | 360 | 465 | SNA1080 | 720 | 865 |
| 12 | SNA1220 | 220 | 305 | SNA1240 | 440 | 545 | SNA1280 | 880 | 1025 |
| 14 | SNA1420 | 260 | 345 | SNA1440 | 520 | 625 | SNA1480 | 1040 | 1185 |
| 16 | SNA1620 | 300 | 385 | SNA1640 | 600 | 705 | SNA1680 | 1200 | 1345 |
| 18 | SNA1820 | 340 | 425 | SNA1840 | 680 | 785 | SNA1880 | 1360 | 1505 |
| 20 | SNA2020 | 380 | 465 | SNA2040 | 760 | 865 | SNA2080 | 1520 | 1665 |
| 22 | SNA2220 | 420 | 505 | SNA2240 | 840 | 945 | ? | ? | ? |
| 24 | SNA2420 | 460 | 545 | SNA2440 | 920 | 1025 | ? | ? | ? |
| 26 | SNA2620 | 500 | 585 | SNA2640 | 1000 | 1105 | ? | ? | ? |
| 28 | SNA2820 | 540 | 625 | SNA2840 | 1080 | 1185 | ? | ? | ? |
| 30 | SNA3020 | 580 | 665 | SNA3040 | 1160 | 1265 | ? | ? | ? |
| 32 | SNA3220 | 620 | 705 | SNA3240 | 1240 | 1345 | ? | ? | ? |
| 34 | SNA3420 | 660 | 745 | SNA3440 | 1320 | 1425 | ? | ? | ? |
| 36 | SNA3620 | 700 | 785 | SNA3640 | 1400 | 1505 | ? | ? | ? |
| 40 | SNA4020 | 780 | 865 | SNA4040 | 1560 | 1665 | ? | ? | ? |
| 44 | SNA4420 | 860 | 945 | SNA4440 | 1720 | 1825 | ? | ? | ? |
| 48 | SNA4820 | 940 | 1025 | SNA4840 | 1880 | 1985 | ? | ? | ? |
| 52 | SNA5220 | 1020 | 1105 | SNA5240 | 2040 | 2145 | ? | ? | ? |
| 56 | SNA5620 | 1100 | 1185 | SNA5640 | 2200 | 2305 | ? | ? | ? |
| 60 | SNA6020 | 1180 | 1265 | SNA6040 | 2360 | 2465 | ? | ? | ? |
| 64 | SNA6420 | 1260 | 1345 | SNA6440 | 2520 | 2625 | ? | ? | ? |
| 68 | SNA6820 | 1340 | 1425 | SNA6840 | 2680 | 2785 | ? | ? | ? |
| 72 | SNA7220 | 1420 | 1505 | SNA7240 | 2840 | 2945 | ? | ? | ? |
注:B系列外形尺寸及型號同A系列。
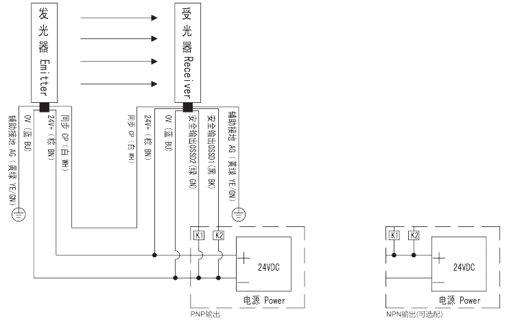
接線圖:
