SE series safety contacts
Features:Safetycontactsareusedtodetectthedangerofmovingpartssqueezingorshearingpeople.Itisacloseproximitysafetyprotectiondeviceforautomaticequipmentthatmeetssafetyprotectionrequirementsandisusedtoensu...
Features:
Safety contacts are used to detect the danger of moving parts squeezing or shearing people. It is a close proximity safety protection device for automatic equipment that meets safety protection requirements and is used to ensure the safety of personnel in hazardous areas who may face dangerous situations such as pinching, squeezing, and collision.
◆ High triggering sensitivity;
◆ Small size for easy concealed installation;
◆ The appearance and installation method can be configured arbitrarily. According to user requirements, the safety contact can be made into an arc shape or other shapes;
◆ Suitable for various industrial occasions, according to requirements, we can provide products with special requirements such as oil resistance, acid and alkali resistance.
Contact parameters:
?
| detection | Pressure sensing method |
| Maximum sensing angle | <90o |
| Trigger Force | ≥25N |
| mechanical life | >3×106 次 |
| Material of surface protection layer | EPDM |
| operation temperature | -20℃~+55℃ |
| protection grade | IP65 |
| ambient humidity | 95% (23℃) No condensation? |
controller parameters:
?
?
| model | SM3P2A1B24 |
| INPUT VOLTAGE? | 24V DC |
| security level | PL d |
| voltage tolerance | ±10% |
| operation temperature | -10~+55℃ |
| storage temperature | -40~+85℃ |
| consumption | <3W |
| protection grade | IP50 |
| Output | 2NO+1NC |
| Maximum switching capacity? | AC-15,5A/250? DC-13,6A/24V |
| Anti interference level | IEC61131-3 |
| Contact fuse protection | 5AT or 6AF |
| Voltage withstand level | AC 1890V 50/60Hz 1min |
| response time | <30ms |
| Wire cross-sectional area | 0.2 - 2.5mm2 |
| Standards | EN ISO 13849-1, EN1760-2?EN 61000-6-2, EN 61000-6-3 |
| Torque setting of the terminal | 0.5Nm |
| size | 96(L)×22.5(W)×116(H)mm |
| Vibration requirements | EN 60068-2-6? |
| Environmental compliance | EN 60068-2-78 |
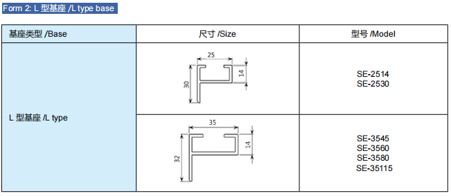
Model Description:

Overall dimensions:


Wiring diagram:
